Violent Clicking Relay!
I sense a bit of sarcasm, which I'll address with my foot later.
There are 3 relays on the fender. The middle one was the clicker.
Alternator is charging when engine is running. Engine cranks but not every time. It goes through a stage where it turns over too fast and won't catch.
The current problem is: what is that red wire and what does it control, because now that it's not in the mix, the clicking is gone.
I'm running outside to connect it with a fatty and I'll let you know what happens...
Unless I blow up, then: Man, it's been a hell of a good time.
Be right back.
By the way- POW! That's for sounding like my dad.
There are 3 relays on the fender. The middle one was the clicker.
Alternator is charging when engine is running. Engine cranks but not every time. It goes through a stage where it turns over too fast and won't catch.
The current problem is: what is that red wire and what does it control, because now that it's not in the mix, the clicking is gone.
I'm running outside to connect it with a fatty and I'll let you know what happens...
Unless I blow up, then: Man, it's been a hell of a good time.
Be right back.
By the way- POW! That's for sounding like my dad.

If you unplug the alternator from the green wire that comes from the voltage regulator, it should full field and put out excessive voltage. If it's charging then the majority of the battle is won. I wouldn't mess with it at that point, but if you want to turn off the alternator for whatever reason it's best to disconnect the blue wire going directly into the alternator. (The blue wires under the hood should be all of the Ignition-ON hots.)
The "turning over too fast and not catching" thing just doesn't make sense... Most problems with intermittent crank-but-no-start conditions comes from the fuel shut-down solenoid located on top of the injection pump; it has one wire going to it, and it has to have voltage for the engine to run. A loose connection there would also cause an intermittent stall though, which I take it that you don't have. If you can, next time that you have the crank-but-no-start condition see if you can't put a voltage meter on the solenoid with the ignition on and see if you have voltage there.
To troubleshoot the relay, disconnect the two large wires off of it (these are the hots for one of the intake grid heaters; don't let them short against the fender) and hotwire the coil (the two small terminals) with a known-good 12 volts and see if it clicks once like it should or does the constant clicky thing. If it does the constant clicky thing then it's dead. If it clicks only once like it should, it's good as long as there is no resistance between the two large terminals after it clicks and there is infinite resistance between the two large terminals before it clicks.
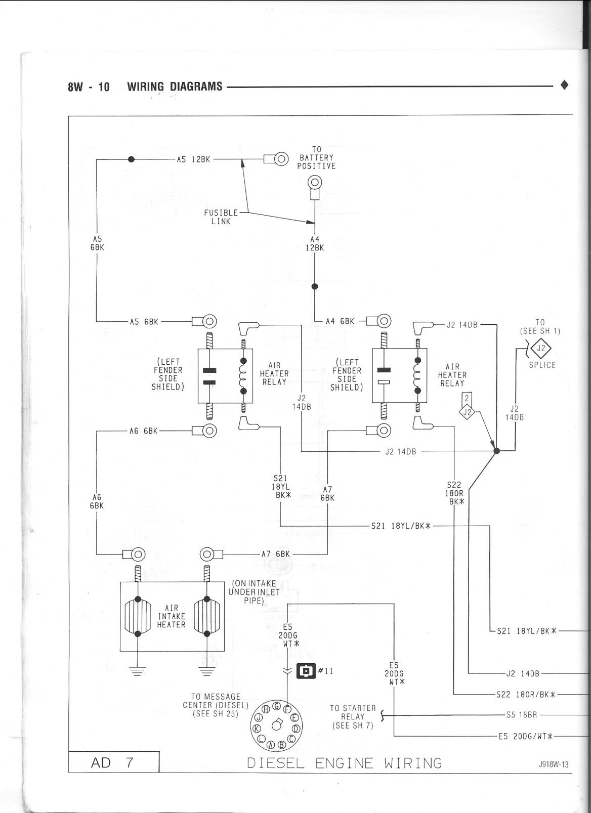
Here's a schematic of the grid heater relays.
The control coils on each one of the large grid heaters should each have one constant ground and one hot from the ECM that is only hot during a cold start-up. For some reason that I'm not sure of, each relay control coil has a separate hot from the ECM; I imagine that the Dodge engineers decided to get fancy and turn only one on sometimes depending on the conditions. If one of the control coil outputs from the ECM is funky, then I'd sure think that you could use the other control coil output to control both relays.
The control coils on each one of the large grid heaters should each have one constant ground and one hot from the ECM that is only hot during a cold start-up. For some reason that I'm not sure of, each relay control coil has a separate hot from the ECM; I imagine that the Dodge engineers decided to get fancy and turn only one on sometimes depending on the conditions. If one of the control coil outputs from the ECM is funky, then I'd sure think that you could use the other control coil output to control both relays.
Not really... Upon re-reading the thread I think it's one of the small standard 5-pins on the inner fender that's giving her problems. So the grid heater relay troubleshooting parts should be irrelevant.
Ok, just got back inside from this: I had an extra inline fuse so I ran a wire from the red ECM to the red out of the relay to a bare spot in the melted link where it was previously connected. A brief clicking then nothing. No Check or Wait lights. Started right up but hesitated to kill, which was an issue a few weeks ago and worked itself out. Key on again, Check and Wait lights back, no click, started and killed fine.
Re-wired all just as it was and clicking is back and bad as ever.
Either way, the a/c did not work at all.
I just read the post about checking the relay. Oh man, where have YOU been all of my life. Today in particular...Running outside to do that. Uno Momento!
---AutoMerged DoublePost---
Ok, I feel a bit intimidated here. The clicking relay has a large blue, large red, sm green/oj and sm blue/yellow.
You want me to disconnect the large red and blue and do what with them.
What do you mean by 'hotwire the coil' and to something 12 volts? I've got some spotlights that I can wire into.
Sorry to be a pain but can you give it to me a little simpler. I'm just a girl.
Thank you so very much for taking the time to help, you're very kind.
---AutoMerged DoublePost---
FYI, yesterday turned me into a blubbering mess. I'm almost there again. My husband, who is a mechanic about like I'm a ballerina, says to me- What are you crying about???
Then he asked me if I have checked the oil lately.
What the ???
Re-wired all just as it was and clicking is back and bad as ever.
Either way, the a/c did not work at all.
I just read the post about checking the relay. Oh man, where have YOU been all of my life. Today in particular...Running outside to do that. Uno Momento!
---AutoMerged DoublePost---
Ok, I feel a bit intimidated here. The clicking relay has a large blue, large red, sm green/oj and sm blue/yellow.
You want me to disconnect the large red and blue and do what with them.
What do you mean by 'hotwire the coil' and to something 12 volts? I've got some spotlights that I can wire into.
Sorry to be a pain but can you give it to me a little simpler. I'm just a girl.
Thank you so very much for taking the time to help, you're very kind.
---AutoMerged DoublePost---
FYI, yesterday turned me into a blubbering mess. I'm almost there again. My husband, who is a mechanic about like I'm a ballerina, says to me- What are you crying about???
Then he asked me if I have checked the oil lately.
What the ???
Last edited by BrokenG; Apr 6, 2010 at 09:40 PM. Reason: Automerged Doublepost
Just to clarify, are we talking about relay #1, #2, #3, #4 or #5?
Because the diagnosis I posted was for the grid heater relays, #4 and #5. #1, #2 and #3 are the starter relay, A/C clutch cut-out relay and automatic shut-down relay.
Because the diagnosis I posted was for the grid heater relays, #4 and #5. #1, #2 and #3 are the starter relay, A/C clutch cut-out relay and automatic shut-down relay.
On the driver's side fender, there are only 3 relays. The middle one has a large blue wire, smaller red wire, small blue/yellow and 2 small green/orange.
With all the chaos, the a/c clutch isn't engaging now; a couple of days ago, it was coming and going randomly.
I assume it is the A/C clutch cut-out relay now since it starts and shuts down.
I'm sitting here with open ears and ready to do whatever you say.
I can live without the A/C, not a princess. Just thinking the chattering is going to cost me $$ down the road...or cause a fire or divorce.
---AutoMerged DoublePost---
One more thing, I have unplugged and plugged into another relay female and still have the chatter but in the new relay. All of them are new; when I need one, I replace them all.
With all the chaos, the a/c clutch isn't engaging now; a couple of days ago, it was coming and going randomly.
I assume it is the A/C clutch cut-out relay now since it starts and shuts down.
I'm sitting here with open ears and ready to do whatever you say.
I can live without the A/C, not a princess. Just thinking the chattering is going to cost me $$ down the road...or cause a fire or divorce.
---AutoMerged DoublePost---
One more thing, I have unplugged and plugged into another relay female and still have the chatter but in the new relay. All of them are new; when I need one, I replace them all.
Last edited by BrokenG; Apr 6, 2010 at 10:03 PM. Reason: Automerged Doublepost
I'm not sure how the automatic shut-down or A/C clutch cut-out relays are wired and I don't think I have wiring diagrams. I'll have to look around.
There should be a horn relay around there somewhere too.
There should be a horn relay around there somewhere too.



