Duramax Trouble Code Requests
Go here and type it in https://www.dieselbombers.com/codes.php
P2138 Accelerator Pedal Position (APP) Sensor 1-2 Correlation (GM)
P2138 Accelerator Pedal Position (APP) Sensor 1-2 Correlation (GM)
I don't think you'll be able to do a whole lot without a Tech2 but:
P2138
The voltage difference between APP sensor 1 and APP sensor 2 exceeds a value of 2 percent for more than 0.3 seconds .
I'd check connections at the sensor and PCM. Maybe you just have a loose terminal or something.
P2138
The voltage difference between APP sensor 1 and APP sensor 2 exceeds a value of 2 percent for more than 0.3 seconds .
I'd check connections at the sensor and PCM. Maybe you just have a loose terminal or something.
Here's all the hoo-hah about it.
DTC P2138
Accelerator Pedal Position (APP) Sensor 1-2 Correlation
DIAGNOSTIC FAULT INFORMATION
IMPORTANT: Always perform the Diagnostic System Check - Vehicle prior to using this diagnostic procedure. See: Testing and Inspection\Diagnostic Trouble Code Tests and Associated Procedures
TYPICAL SCAN TOOL DATA
APP Sensor 1
APP Sensor 2
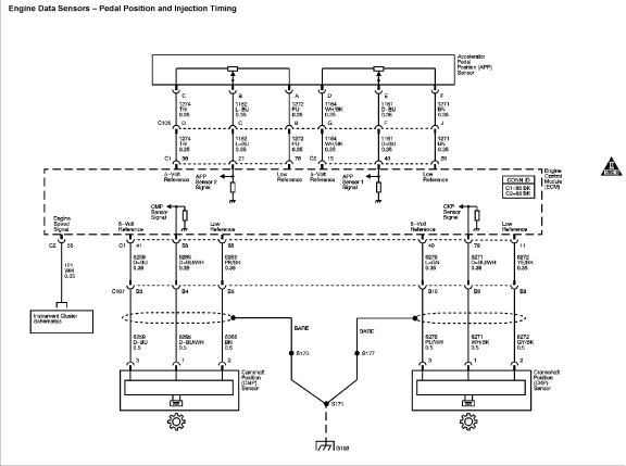
CIRCUIT/SYSTEM DESCRIPTION
The accelerator pedal position (APP) sensor is mounted on the accelerator pedal control assembly. Two APP sensors, APP sensors 1 and 2 are used to monitor the accelerator pedal position. Each sensor has the following circuits:
* A 5-volt reference circuit
* A low reference circuit
* A signal circuit
The engine control module (ECM) uses the APP sensors input to determine the amount of acceleration or deceleration that is desired. Refer to Accelerator Pedal Position (APP) System Description.
CONDITIONS FOR RUNNING THE DTC
P2122, P2123, P2127, P2128
* DTC P0652, P0653, P0698, or P0699 are not set.
* The ignition is ON.
* DTC P2122, P2123, P2127, P2128 run continuously when the above conditions are met.
P2138
* DTC P0652, P0653, P0698, P0699, P2122, P2123, P2127, or P2128 are not set.
* The ignition is ON.
* DTC P2138 runs continuously when the above conditions are met.
CONDITIONS FOR SETTING THE DTC
P2122
The ECM detects that the APP sensor 1 voltage is less than 0.8 volt for more than 0.2 second .
P2123
The ECM detects that the APP sensor 1 voltage is more than 4.75 volts for more than 0.2 second .
P2127
The ECM detects that the APP sensor 2 voltage is less than 0.3 volt for more than 0.2 second .
P2128
The ECM detects that the APP sensor 2 voltage is more than 2.5 volts for more than 0.2 second .
P2138
The voltage difference between APP sensor 1 and APP sensor 2 exceeds a value of 2 percent for more than 0.3 seconds .
ACTION TAKEN WHEN THE DTC SETS
* The control module stores the DTC information into memory when the diagnostic runs and fails.
* The malfunction indicator lamp (MIL) will not illuminate.
* The control module records the operating conditions at the time the diagnostic fails. The control module stores this information in the Failure Records.
* The driver information center, if equipped, may display a message.
CONDITIONS FOR CLEARING THE DTC
* A current DTC Last Test Failed clears when the diagnostic runs and passes.
* A history DTC clears after 40 consecutive warm-up cycles, if no failures are reported by this or any other non-emission related diagnostic.
* Clear the DTC with a scan tool.
CIRCUIT/SYSTEM VERIFICATION
1. With the ignition ON, use a scan tool to observe the APP sensor 1 for a normal voltage range between 0.89-4.57 volts . IMPORTANT: If you cannot duplicate the condition, operate the vehicle within the Conditions for Running the DTC. You may also operate the vehicle within the conditions that you observed from the Freeze Frame/Failure Records.
2. With the ignition ON, use a scan tool to observe the APP sensor 2 for a normal voltage range between 0.41-2.19 volts .
3. With the ignition ON, use a scan tool to compare APP sensors 1 and 2 percentages, verify they do not differ more than 2 percent during a full pedal sweep.
CIRCUIT/SYSTEM TESTING
P2122, P2123, P2127, or P2128
1. With the ignition ON, observe the APP sensor 1 voltage parameter with the accelerator pedal in the released position. Verify the voltage is between 0.89-4.57 volts .
o If more than 4.57 volts , test the APP sensor 1 low reference circuit for an open or a faulty ECM.
o If less than 0.80 volts , test the APP sensor 1 signal circuit for an open, a short to ground, or a faulty ECM.
2. With the ignition ON, observe the APP sensor 2 voltage parameter with the accelerator pedal in the released position. Verify the voltage is between 0.41-2.19 volts .
o If more than 2.5 volts , test the low reference for an open or a faulty ECM.
o If less than 0.3 volts , test the APP sensor 2 signal circuit for an open, a short to ground, or a faulty ECM.
3. Disconnect the accelerator pedal harness connector and verify that APP sensor 1 and 2 voltages are less than 0.1 volts .
o If more than 01 volts , test the APP sensor 1 and 2 signal circuits for a short to voltage or a faulty ECM.
4. With the ignition ON, test for 4.8-5.2 volts between each 5-volt reference circuits and a good ground.
o If more than 5.2 volts , test the affected 5-volt reference circuit for a short to voltage, or faulty ECM.
o If less than 4.8 volts , test the affected 5-volt reference circuit for an open or short to ground, or a faulty ECM.
5. Install a 3-amp fused jumper wire between the signal circuit and the 5-volt reference circuit of the APP sensor 1, and verify the APP sensor 1 voltage is greater than 4.8 volts .
o If less than 4.8 volts test the APP sensor 1 signal circuit for an open, short to ground, or a faulty ECM.
6. Install a 3-amp fused jumper wire between the signal circuit and the 5-volt reference circuit of the APP sensor 2, and verify that the APP sensor 2 voltage is greater than 4.8 volts .
o If less than 4.8 volts , test the APP sensor 2 signal circuit for an open, short to ground, or a faulty ECM.
7. With the ignition OFF, the APP sensor and the ECM harness connectors disconnected, test for infinite resistance between APP sensor 1 signal circuit and APP sensor 2 signal circuit.
o If infinite resistance, repair the short between APP sensor 1 signal circuit and APP sensor 2 signal circuit.
8. If all circuits test normal, replace the accelerator pedal. P2138
1. With the ignition OFF, disconnect the accelerator pedal and the ECM harness connectors. With a DMM, measure for a resistance value of less than 5 ohms on each APP sensor circuit.
o If more than 5 ohms , repair the circuit with the high resistance.
o If less than 5 ohms , test for a short between APP sensor 1 signal circuit and APP sensor 2 signal circuit.
2. If all circuits test normal, replace the accelerator pedal assembly.
REPAIR INSTRUCTIONS
IMPORTANT: Always perform the Diagnostic Repair Verification after completing the diagnostic procedure.
* Accelerator Pedal with Position Sensor Replacement
* Control Module References for ECM replacement, setup, and programming
DTC P2138
Accelerator Pedal Position (APP) Sensor 1-2 Correlation
DIAGNOSTIC FAULT INFORMATION
IMPORTANT: Always perform the Diagnostic System Check - Vehicle prior to using this diagnostic procedure. See: Testing and Inspection\Diagnostic Trouble Code Tests and Associated Procedures
TYPICAL SCAN TOOL DATA
APP Sensor 1
APP Sensor 2
CIRCUIT/SYSTEM DESCRIPTION
The accelerator pedal position (APP) sensor is mounted on the accelerator pedal control assembly. Two APP sensors, APP sensors 1 and 2 are used to monitor the accelerator pedal position. Each sensor has the following circuits:
* A 5-volt reference circuit
* A low reference circuit
* A signal circuit
The engine control module (ECM) uses the APP sensors input to determine the amount of acceleration or deceleration that is desired. Refer to Accelerator Pedal Position (APP) System Description.
CONDITIONS FOR RUNNING THE DTC
P2122, P2123, P2127, P2128
* DTC P0652, P0653, P0698, or P0699 are not set.
* The ignition is ON.
* DTC P2122, P2123, P2127, P2128 run continuously when the above conditions are met.
P2138
* DTC P0652, P0653, P0698, P0699, P2122, P2123, P2127, or P2128 are not set.
* The ignition is ON.
* DTC P2138 runs continuously when the above conditions are met.
CONDITIONS FOR SETTING THE DTC
P2122
The ECM detects that the APP sensor 1 voltage is less than 0.8 volt for more than 0.2 second .
P2123
The ECM detects that the APP sensor 1 voltage is more than 4.75 volts for more than 0.2 second .
P2127
The ECM detects that the APP sensor 2 voltage is less than 0.3 volt for more than 0.2 second .
P2128
The ECM detects that the APP sensor 2 voltage is more than 2.5 volts for more than 0.2 second .
P2138
The voltage difference between APP sensor 1 and APP sensor 2 exceeds a value of 2 percent for more than 0.3 seconds .
ACTION TAKEN WHEN THE DTC SETS
* The control module stores the DTC information into memory when the diagnostic runs and fails.
* The malfunction indicator lamp (MIL) will not illuminate.
* The control module records the operating conditions at the time the diagnostic fails. The control module stores this information in the Failure Records.
* The driver information center, if equipped, may display a message.
CONDITIONS FOR CLEARING THE DTC
* A current DTC Last Test Failed clears when the diagnostic runs and passes.
* A history DTC clears after 40 consecutive warm-up cycles, if no failures are reported by this or any other non-emission related diagnostic.
* Clear the DTC with a scan tool.
CIRCUIT/SYSTEM VERIFICATION
1. With the ignition ON, use a scan tool to observe the APP sensor 1 for a normal voltage range between 0.89-4.57 volts . IMPORTANT: If you cannot duplicate the condition, operate the vehicle within the Conditions for Running the DTC. You may also operate the vehicle within the conditions that you observed from the Freeze Frame/Failure Records.
2. With the ignition ON, use a scan tool to observe the APP sensor 2 for a normal voltage range between 0.41-2.19 volts .
3. With the ignition ON, use a scan tool to compare APP sensors 1 and 2 percentages, verify they do not differ more than 2 percent during a full pedal sweep.
CIRCUIT/SYSTEM TESTING
P2122, P2123, P2127, or P2128
1. With the ignition ON, observe the APP sensor 1 voltage parameter with the accelerator pedal in the released position. Verify the voltage is between 0.89-4.57 volts .
o If more than 4.57 volts , test the APP sensor 1 low reference circuit for an open or a faulty ECM.
o If less than 0.80 volts , test the APP sensor 1 signal circuit for an open, a short to ground, or a faulty ECM.
2. With the ignition ON, observe the APP sensor 2 voltage parameter with the accelerator pedal in the released position. Verify the voltage is between 0.41-2.19 volts .
o If more than 2.5 volts , test the low reference for an open or a faulty ECM.
o If less than 0.3 volts , test the APP sensor 2 signal circuit for an open, a short to ground, or a faulty ECM.
3. Disconnect the accelerator pedal harness connector and verify that APP sensor 1 and 2 voltages are less than 0.1 volts .
o If more than 01 volts , test the APP sensor 1 and 2 signal circuits for a short to voltage or a faulty ECM.
4. With the ignition ON, test for 4.8-5.2 volts between each 5-volt reference circuits and a good ground.
o If more than 5.2 volts , test the affected 5-volt reference circuit for a short to voltage, or faulty ECM.
o If less than 4.8 volts , test the affected 5-volt reference circuit for an open or short to ground, or a faulty ECM.
5. Install a 3-amp fused jumper wire between the signal circuit and the 5-volt reference circuit of the APP sensor 1, and verify the APP sensor 1 voltage is greater than 4.8 volts .
o If less than 4.8 volts test the APP sensor 1 signal circuit for an open, short to ground, or a faulty ECM.
6. Install a 3-amp fused jumper wire between the signal circuit and the 5-volt reference circuit of the APP sensor 2, and verify that the APP sensor 2 voltage is greater than 4.8 volts .
o If less than 4.8 volts , test the APP sensor 2 signal circuit for an open, short to ground, or a faulty ECM.
7. With the ignition OFF, the APP sensor and the ECM harness connectors disconnected, test for infinite resistance between APP sensor 1 signal circuit and APP sensor 2 signal circuit.
o If infinite resistance, repair the short between APP sensor 1 signal circuit and APP sensor 2 signal circuit.
8. If all circuits test normal, replace the accelerator pedal. P2138
1. With the ignition OFF, disconnect the accelerator pedal and the ECM harness connectors. With a DMM, measure for a resistance value of less than 5 ohms on each APP sensor circuit.
o If more than 5 ohms , repair the circuit with the high resistance.
o If less than 5 ohms , test for a short between APP sensor 1 signal circuit and APP sensor 2 signal circuit.
2. If all circuits test normal, replace the accelerator pedal assembly.
REPAIR INSTRUCTIONS
IMPORTANT: Always perform the Diagnostic Repair Verification after completing the diagnostic procedure.
* Accelerator Pedal with Position Sensor Replacement
* Control Module References for ECM replacement, setup, and programming
Last edited by Johnny Cetane; Jun 30, 2008 at 04:53 PM.




