Hot wire my truck!
I'm trying to figure out how to basically hot wire my truck.
I'm in the process of putting an 01 24v in my 91 F-350. I am using the entire under hood and dash wiring harness from the Dodge Ram (Ram in Ford's clothing) so I need a way to get around not having the Dodge Ram column and ignition.
I just need to know what wires to connect to a switch on the column to engage the ignition when the 91 Ford key is put into the ignition.
I need to know what wires to connect to set the starter up on a momentary switch.
And I need to know what wires (if any) I need to connect to the clutch pedal for a clutch safety so it will start.
Ignition harness

| ITEM | WIRE COLOR |POL| WIRE LOCATION |
| 12V|pnk/blk & red/wht |+ |ignition harness |
| STARTER|yellow |+ |ignition harness |
| IGNITION|blue (16 awg) |+ |ignition harness |
| SECOND IGNITION|red or red/wht |+ |ignition harness |
| ACCESSORY|green & orange |+ |ignition harness |
| SECOND ACCESSORY|blue & blk/wht *7 |+ |ignition harness |
Thanks to BigRedFireTruck for that info ^^^
I tried using that info but all I could get to happen was hear the relay turn on inside the fuse box (under-hood), no gauges, no gauge or head lights.
I'm in the process of putting an 01 24v in my 91 F-350. I am using the entire under hood and dash wiring harness from the Dodge Ram (Ram in Ford's clothing) so I need a way to get around not having the Dodge Ram column and ignition.
I just need to know what wires to connect to a switch on the column to engage the ignition when the 91 Ford key is put into the ignition.
I need to know what wires to connect to set the starter up on a momentary switch.
And I need to know what wires (if any) I need to connect to the clutch pedal for a clutch safety so it will start.
Ignition harness

| ITEM | WIRE COLOR |POL| WIRE LOCATION |
| 12V|pnk/blk & red/wht |+ |ignition harness |
| STARTER|yellow |+ |ignition harness |
| IGNITION|blue (16 awg) |+ |ignition harness |
| SECOND IGNITION|red or red/wht |+ |ignition harness |
| ACCESSORY|green & orange |+ |ignition harness |
| SECOND ACCESSORY|blue & blk/wht *7 |+ |ignition harness |
Thanks to BigRedFireTruck for that info ^^^

I tried using that info but all I could get to happen was hear the relay turn on inside the fuse box (under-hood), no gauges, no gauge or head lights.
if that info is right, i believe you would hook the pnk/blk (12v) to the yellow (starter).
you might have to tie the red or red/white into that as well to turn on the electric fuel pump and whatnot
as for your clutch safety switch i would need more info. if you got a decent wiring diagram i can do a whole let better for you. this isnt quite as much info as i need to get ya going correctly
---AutoMerged DoublePost---
also, you should be able to make your ford keyed ignition work just fine with your dodge wiring. i used my chevy column with my dodge stuff. like i said before, get me a good wiring diagram and ill hook you up
you might have to tie the red or red/white into that as well to turn on the electric fuel pump and whatnot
as for your clutch safety switch i would need more info. if you got a decent wiring diagram i can do a whole let better for you. this isnt quite as much info as i need to get ya going correctly
---AutoMerged DoublePost---
also, you should be able to make your ford keyed ignition work just fine with your dodge wiring. i used my chevy column with my dodge stuff. like i said before, get me a good wiring diagram and ill hook you up
Last edited by tltruckparts; Feb 15, 2010 at 12:25 AM. Reason: Automerged Doublepost
if that info is right, i believe you would hook the pnk/blk (12v) to the yellow (starter).
you might have to tie the red or red/white into that as well to turn on the electric fuel pump and whatnot
as for your clutch safety switch i would need more info. if you got a decent wiring diagram i can do a whole let better for you. this isnt quite as much info as i need to get ya going correctly
---AutoMerged DoublePost---
also, you should be able to make your ford keyed ignition work just fine with your dodge wiring. i used my chevy column with my dodge stuff. like i said before, get me a good wiring diagram and ill hook you up
you might have to tie the red or red/white into that as well to turn on the electric fuel pump and whatnot
as for your clutch safety switch i would need more info. if you got a decent wiring diagram i can do a whole let better for you. this isnt quite as much info as i need to get ya going correctly
---AutoMerged DoublePost---
also, you should be able to make your ford keyed ignition work just fine with your dodge wiring. i used my chevy column with my dodge stuff. like i said before, get me a good wiring diagram and ill hook you up
| ITEM | WIRE COLOR |POL| WIRE LOCATION |
| 12V|pnk/blk & red/wht |+ |ignition harness |
| STARTER|yellow |+ |ignition harness |
| IGNITION|blue (16 awg) |+ |ignition harness |
| SECOND IGNITION|red or red/wht |+ |ignition harness |
| ACCESSORY|green & orange |+ |ignition harness |
| SECOND ACCESSORY|blue & blk/wht *7 |+ |ignition harness |
| POWER LOCK|white/green *1 |- |driver kick panel |
| POWER UNLOCK|same wire | | |
| LOCK MOTOR|tan/pnk or tan/blk | |driver kick panel |
| UNLOCK MOTOR|blue | |driver kick panel |
| DISARM DEFEAT|tan/white | |passenger kick panel |
| PARKING LIGHTS +|black/yellow | |relay under hood at pwr ctr |
| PARKING LIGHTS -|purple/yellow *2 | |headlight switch |
| HEADLIGHTS|purple/yellow *2 |- |headlight switch |
| DOOR TRIGGER|*3 |- |*3 |
| DOME SUPERVISION|use door trigger | | |
| FCTRY ALARM ARM|lt green/orange *4 |- |driver kick panel |
|FCTRY ALRM DISARM|same wire | | |
| DISARM NO UNLOCK|same wire | | |
| TACHOMETER|NOT green/orange | |ign coil, coil pac, injector|
| SPEED SENSE|white/orange | |wht conn. 2, pin 27 @ PCM *5|
| BRAKE WIRE|white/tan |+ |brake pedal switch |
| HORN TRIGGER|black/red |- |steering column |
| WIPERS|brn/wht(L),rd/yel(H)|+ |wiper motor |
| LF WINDOW UP/DN|lt blue - white |A |driver window switch |
| RF WINDOW UP/DN|brn/wht - pur/wht |A |driver kick panel |
| LR WINDOW UP/DN|red/blk - blu/wht |A |driver kick panel |
| RR WINDOW UP/DN|grn/wht - gry/blk |A |driver kick panel |
| RADIO 12V|pink |+ |radio |
| RADIO GROUND|black/green |- |radio |
| RADIO SWITCH|brown/red |+ |radio |
| RADIO ILLUMINATE|orange/blue (dimmer)|+ |radio |
| LF SPEAKER|lt grn/rd-lt grn/grn| |radio or amplifier *6 |
| RF SPEAKER|lt blu/pu-lt blu/blk| |radio or amplifier *6 |
| LR SPEAKER|wht/red - wht/blk | |radio or amplifier *6 |
| RR SPEAKER|tan/pur - tan/blk | |radio or amplifier *6 |
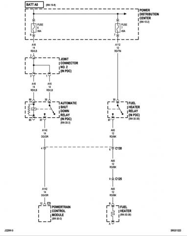
From the looks of it, its for a gasser because it lists a coil under the Tach, but the important stuff should carry over to the diesel.
And I have to have a momentary switch because my ignition switch could only give power to my gauges but wouldn't engage the starter, and me being broke at the time, wired up a momentary switch, plus its a theft deterrent when hidden
That's the plan, unless the pcm needs it to start. I just don't know how it will work because its an auto pcm with a 6 speed manual wiring harness. I've seen some people with auto's swapping to manuals connect the neutral safety switch wires together so it always thinks its in neutral.
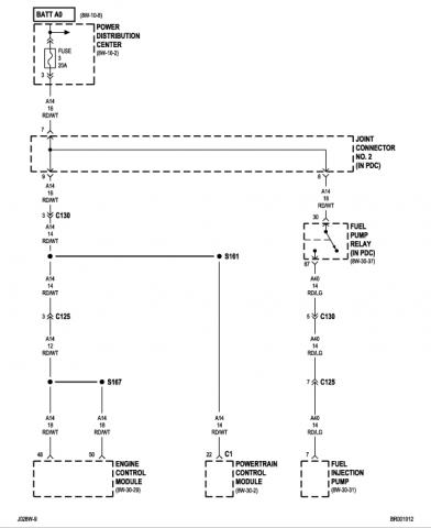
those look like good diagrams! is there any possibility you can make them bigger. i cant even see the color of wires on those diagrams its all too small. you can email them to me if need be if that makes them bigger
they were pretty big, its just the max limit of attachments of the site reduces them to the size you see right there. If someone needs them ill try and send them in an email. I can uploaded them photo bucket but id rather punch a baby then to sit here for hours


