LOG IN
REGISTER
Forums
Site News and Feedback
Diesel Bombers Introduction
Web Site Related Discussions
Contests And Give Aways
The Engine Room
Diesel In Distress - Support Ticket
General Diesel Related
Diesel Engine Conversions
Alternative Fuels , Additives , Fluids
Show And Tell
Audio Equipment/Electrical
Shade Tree , Pro-Mechanics & Fabrication
Tire, Wheel & Suspension
The Armory
Price Quote - Request A Price
Group Buy
Diesel Bombers Sponsors
Bomb Exchange
Dodge Cummins
Dodge Truck and Cummins Turbo Diesel Forum
Dodge Diesel Tech Articles
6.7 Liter Dodge Cummins 2013+
6.7 Liter Dodge Cummins 07.5-12
5.9 Liter CR Dodge Cummins 03-07
24 Valve 2nd Gen Dodge Cummins 98.5-02
12 Valve 2nd Gen Dodge Cummins 94-98
1st Generation Dodge Cummins 89-93
Chevy/GMC Duramax
Chevy/GMC Truck and Duramax Turbo Diesel Forum
Chevy/GMC Duramax 07.5 -10 LMM
Chevy/GMC Duramax 2011 LML
Chevy/GMC Duramax 06-07 LBZ
Chevy/GMC Duramax 04.5-05 LLY
Chevy/GMC Duramax 01-04 LB7
Chevy/GMC 6.2L and 6.5L
Ford Powerstroke
Ford Truck and Powerstroke Turbo Diesel Forum
Ford Powerstroke 2011-Up 6.7L
Ford Powerstroke 08-10 6.4L
Ford Powerstroke 03-07 6.0L
Ford Powerstroke 99-03 7.3L
Ford Powerstroke 94-98 7.3L
Ford 83-94 6.9 and 7.3L General
Ford Excursion 99-05 7.3L and 6.0L
Diesels Cars & SUV's
Passenger Vehicles General Discussion
Specific Purpose Diesels
Specific Purpose General Discussion
Tech Talk
Chevrolet / GMC Diesel Tech Articles
Ford Diesel Tech Articles
Foreign and Domestic Diesel Tech Articles
General Diesel Related Tech Articles
Tech Article Submission
Diesels in Action
Diesel Related Events
Transfer Sled Pulling
Street And Track Racing
Diesels On The Dyno
Towing and Hauling
Off Roading
Diesel Work Trucks
Off Topic - Non Diesel Related Discussions
The Bomb Shelter
The Sportsmen's Lounge
The Bad Lands - Off Topic 18+
Marketplace
Vendor Directory
Become a Vendor
New Posts
Tools
Car Payment Calculator
Tire Rim Calculator
Recalls
Technical Service Bulletins (TSBs)
Members List
Live Feed
Gallery
View Dark Mode
Please register or login to enable Dark Mode.
Log In
Register
Threads
Google
Threads
Posts
Advanced
Diesel Bombers
View First Unread
Thread Tools
Search this Thread
Log In
|
Register
Dark Mode
Please register or login to enable Dark Mode.
Contact Us
Your Privacy Choices
Manage Preferences
Archive
Advertising
Cookie Policy
Privacy Statement
Terms of Service
Affiliate Disclosure
When you click on links to various merchants on this site and make a purchase, this can result in this site earning a commission. Affiliate programs and affiliations include, but are not limited to, the eBay Partner Network.
×
Log In
Forgot your Password?
By logging into your account, you agree to our
Terms of Use
and
Privacy Policy
, and to the use of cookies as described therein.
Diesel Bombers
Chevy/GMC Duramax
Chevy/GMC 6.2L and 6.5L
Electrical diagrams
Chevy/GMC 6.2L and 6.5L
Discussion of Chevy and GMC Trucks with 6.2L and 6.5L Diesel Engines
Community Links
Social Groups
Pictures & Albums
Members List
Search Forums
Show Threads
Show Posts
Tag Search
Advanced Search
Find All Liked Posts
Go to Page...
Electrical diagrams
Reply
Subscribe
Thread Tools
Search this Thread
Feb 4, 2011 | 03:41 PM
Share
Share Options
#
1
ed cavender
Thread Starter
|
Diesel Fan
Joined:
Mar 2009
Posts:
33
Likes:
0
From:
Nashville TN
Electrical diagrams
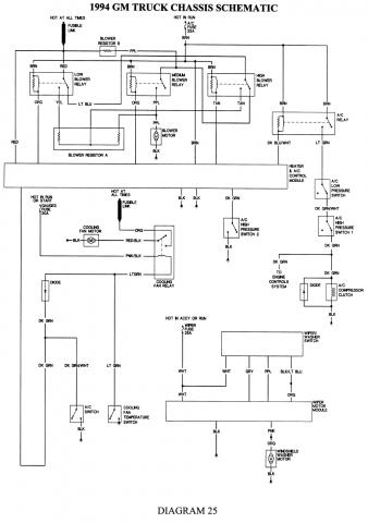
Anyone have good diagrams for a 94 3500 heater control and lights?
Reply
0
0
ed cavender
View Public Profile
Send a private message to ed cavender
Visit ed cavender's homepage!
Find all posts by ed cavender
View iTrader Profile
Feb 4, 2011 | 04:42 PM
Share
Share Options
#
2
Crazy
Diesel Bomber
Joined:
Sep 2010
Posts:
1,322
Likes:
51
From:
Reddick,Fl.
Don't know if this going be any help for
Attached Thumbnails
Reply
0
0
Crazy
View Public Profile
Send a private message to Crazy
Find all posts by Crazy
View iTrader Profile
Feb 4, 2011 | 10:05 PM
Share
Share Options
#
3
ed cavender
Thread Starter
|
Diesel Fan
Joined:
Mar 2009
Posts:
33
Likes:
0
From:
Nashville TN
Looks like that may be what i need ..
Thanks
Reply
0
0
ed cavender
View Public Profile
Send a private message to ed cavender
Visit ed cavender's homepage!
Find all posts by ed cavender
View iTrader Profile
Reply
Subscribe
Related Topics
Thread
Thread Starter
Forum
Replies
Last Post
Big Electrical Issues.
culp7
24 Valve 2nd Gen Dodge Cummins 98.5-02
14
Jul 20, 2015
10:13 PM
07 Cummins major electrical issues
coryfast
Diesel In Distress - Support Ticket
2
Jul 6, 2015
06:02 AM
electrical starting issue
Squirt
Diesel In Distress - Support Ticket
0
Jun 19, 2015
12:40 PM
6.4 powerstroke has no electrical power
Hmcyl
Diesel In Distress - Support Ticket
1
Feb 1, 2015
04:18 PM
Need advice,,, electrical problem
Dadslb7
General Diesel Related
1
Dec 9, 2014
11:05 PM
Back to Subforum
Chevy/GMC 6.2L and 6.5L
View Next Unread
Injection Pump Inlet Thread Size?
Thread Tools
Show Printable Version
Search this Thread
Advanced Search
Thread Tools
Show Printable Version
Email this Page
Advanced Search
Reply
Closed Thread
Share
Facebook
Twitter
Reddit
First
Prev
1
/
1
Next
Last
1
All times are GMT -5. The time now is
10:46 PM
.
LinkBack
LinkBack URL
About LinkBacks
Bookmark & Share
Digg this Thread!
Add Thread to del.icio.us
Bookmark in Technorati
Tweet this thread